
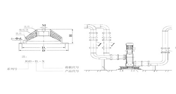
JGF水泵减震器又称JGF圆形橡胶减震器、风机减震器,由金属和橡胶复合制成,表面全部包复橡胶,可防止金属锈蚀,延长使用寿命。
JGF水泵减震器额定载荷下固有频率较低,适宜于转速大于600转/分的风机、水泵、空压机、制冷机等动力机械的基础隔振降噪,尤其适用于立式水泵的基础减振,等频性好,当大于额定载荷后,减振器的固有频率保持不变,阻尼比大,对共振峰的阻止能力好,结构简单、安装方便,可直接安装在机座下,同时也可用地基螺栓固定安装。
JGF圆形橡胶减震器分为四种尺寸结构,八种承载规格,轴向承受载荷从10-1288Kg,额定载荷下静变形在3-12mm范围内,相应固有频率在5-11Hz范围,阻尼比大与0.05,耐油、海水、盐、雾和日照等,适用于-15~70℃温度范围。
载荷范围:
80-1200Kg;固有频率7-9Hz。
适用设备:
设计要求较高的各种座式安装设备如风机、水泵、压缩机组及各类减振台座的配套安装等。
荷载范围:
20-1260kg。
产品结构图:

技术参数(外观尺寸):
| 型号 | 载荷 (Kg) | 变形量 (mm) | 自振频率 (mm) | 压量 (mm) | 重量 (Kg) | |
| JGF1 | 1 | 20 | 3-5.5 | 10.8-15.3 | 12 | 0.35 |
| 2 | 30 | |||||
| 3 | 37 | |||||
| 4 | 50 | |||||
| 5 | 60 | |||||
| 6 | 70 | |||||
| 7 | 85 | |||||
| JGF2 | 1 | 25 | 5.5-10.8 | 10.8-15.3 | 16 | 1.0 |
| 2 | 40 | |||||
| 3 | 65 | |||||
| 4 | 100 | |||||
| 5 | 125 | |||||
| 6 | 150 | |||||
| 7 | 200 | |||||
| JGF3 | 1 | 100 | 6-11.5 | 7-10 | 28 | 2.2 |
| 2 | 140 | |||||
| 3 | 200 | |||||
| 4 | 270 | |||||
| 5 | 330 | |||||
| 6 | 400 | |||||
| 7 | 480 | |||||
| JGF4 | 1 | 300 | 10.2-22 | 5.1-7.4 | 50 | 6.0 |
| 2 | 420 | |||||
| 3 | 580 | |||||
| 4 | 720 | |||||
| 5 | 920 | |||||
| 6 | 1080 | |||||
| 7 | 1260 | |||||
